90 Degree Stainless Steel Angle Valve
90 Degree Stainless Steel Angle Valve, SSFV-3
- Fuel Supply/Drain Valve
- 304 Stainless steel body(body surface be passivated)
- Nickel plated steel T handle, with black vinyl cover
- Ring seal components must conform to JDS 38
- PTFE ball seats and Viton sealing
- Maximum Pressure:2000PSI
- Temp Range:-40℃-120℃
- 3/4"-16UNF-2A x 13/16"-16UN-2A
- DEF compatibility per ISO22241
- Biodiesel compatibility per JDS-D85
- Cleanliness per JDG-G169 class 6.6 visibly clean
- Ends to be capped
- Valve to be shipped in open position
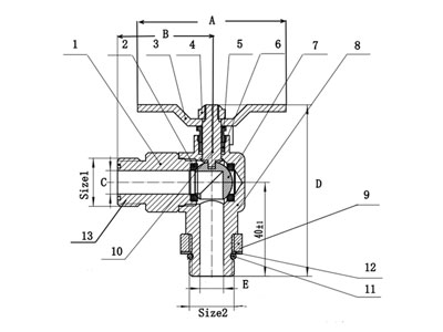
| Part No. | Size1 | Size2 | A(In) | B(In) | C(In) | D(In) | E(In) | Carton Qty. | Wt. (lbs.) |
| SSFV-3 | 13/16-16UN-2A | 3/4-16UNF-2A | 2.48 | 1.57 | 0.37 | 2.87 | 0.37 | 60 | 0.57 |
| Part No. | Description | Material |
| 1 | Male Cap | 304 Stainless |
| 2 | Ball seats | PTFE |
| 3 | T-handle | 304 Stainless |
| 4 | M6 Nut | 304 Stainless |
| 5 | Gland | 304 Stainless |
| 6 | Packing | PTFE |
| 7 | 90° Ball | 304 Stainless |
| 8 | Body | 304 Stainless |
| 9 | Lock Nut | 304 Stainless |
| 10 | Stem | 304 Stainless |
| 11 | O Ring | FKM (Viton) |
| 12 | Back Washer | 304 Stainless |
90° Stainless Steel Angle Valve, SSFV-1
- Valve Fuel Supply/Drain Valve
- 304 Stainless steel body(body surface be passivated)
- Nickel plated steel T handle, with black vinyl cover
- PTFE ball seats and Viton sealing
- Maximum Pressure:2000PSI
- Temp Range:-40℃-120℃
- 7/8-14UNF x 5/8" ID
- DEF compatibility per ISO22241
- Biodiesel compatibility per JDS-G253
- Cleanliness per JDG-G169 class 6.6
- Ends to be capped
| Part No. | Size1 | Size2 | A(In) | B(In) | C(In) | D(In) | E(In) | F(In) | G(In) | Carton Qty. | Wt. (lbs.) |
| SSFV-1 | 5/8" | 7/8-14UNF | 2.48 | 1.83 | 1.30 | 0.37 | 3.19 | 0.49 | 0.37 | 60 | 0.59 |
| Part No. | Description | Material |
| 1 | Nipple | 304 Stainless |
| 2 | Ball seats | PTFE |
| 3 | T-handle | Carbon Steel(Nickel-Plated) |
| 4 | M6 Nut | 304 Stainless |
| 5 | Gland | 304 Stainless |
| 6 | Packing | PTFE |
| 7 | 90° Ball | 304 Stainless |
| 8 | Body | 304 Stainless |
| 9 | Lock Nut | 304 Stainless |
| 10 | Stem | 304 Stainless |
| 11 | O Ring | Viton |
| 12 | Back Washer | 304 Stainless |
Intech Manufacturing is a professional manufacturer of standard and custom valves, couplings and fittings, machining parts, plastic parts, and rubber parts, etc. We can provide custom products made from stainless steel, brass, bronze, carbon steel, aluminum, and plastic. Besides manufacturing, we also offer business sourcing for any valves, fittings, hoses or machining parts that we do not make at home location. In accordance to your special needs, we can provide customized one-stop solutions for you.